Pacific Antenna
Affordable QRP Antennas and Kits at exceptional value


   
Retired


FireFly Transceiver

By Dan Tayloe, N7VE


Surface Mount Board


Through Hole Board


Hendricks QRP Kits is now offering the FireFly, which is a 30 Meter Transceiver Kit with an SDR Receiver and a conventional VXO Tuned Transmitter. The kit was designed by Dan Tayloe, N7VE, and here is his description of the transceiver. The cost of the through hole version is 75.00. Details are below.

The Firefly SDR is a SDR receiver combined with a 2.5W VXO transmitter. This combination has been optimized for cw only operation. The FF SDR includes a built in keyer and includes a 1W audio output for driving a separate cw side tone monitor speaker and a high performance, solid state T/R switch for full break in QSK operation.

The first version of the FF SDR is a 30m version. The final 30m FF SDR prototype has 2.6W output power and has a receiver sensitivity of -128 dbm as measured in a 500 Hz receiver bandwidth using a Presonus Firebox "sound card". The receiver is centered on 10.114 MHz and is capable of tuning +/- 24 KHz from that point. The VXO transmitter uses a two crystal "super VXO" configuration and nominally covers 10.102 to 10.113 MHz, although the actual tuning range will depend on the exact characteristics of the particular crystals you get.

An SDR receiver has low level stereo audio outputs and is designed to feed into the audio sound card of a computer. Best receiver results will be obtain using a good sound card such as a Delta 44, which incorporates a high end 24 bit analog to digital (A/D) converter. However, even the 16 bit A/D converters of a typical PC sound card should provide usable received signals although at a reduced sensitivity.

It is very amazing to be able to watch activity across a +/- 24 KHz segment of the band and know without tuning where the signals are and how strong they are. You can even watch DX pileups in progress. With the Firefly SDR, you can tune the transmitter exactly were you want it (visually!) using the spot function, then jump in and go for it.

The FF SDR controls consist of a tuning knob for the VXO controlled TX, a TX spot switch, a cw speed control for the built in keyer, a programming push button for the keyer, a sidetone monitor speaker output, a keyer paddle input, a I/Q stereo output which is connected to the computer sound card, and an antenna jack. The basic kit does not include a case, nor external pots, switches, and jacks.

Again, the FF SDR has been optimized for cw only operation. The use of a dedicated internal keyer chip with a 1w audio sidetone speaker output totally eliminates any lag associated with running cw on an SDR transceiver.

This kit is sold out.


Through Hole Version


Through Hole version - Prototype Board

The through hole version of the FireFly comes with the 5 surface mounted parts premounted. All other parts are through hole. The kit consists of the double sided, plated through, soldermasked and silkscreened board, all board mounted parts. The builder will need to supply the controls and connectors of his choice.

Firefly SDR TH Improvements:
  • Through hole!!! There is now a choice! The five surface mounted parts have been pre-mounted (detector, audio preamp, and three SOT23 MOSFETs).
  • An active low mute signal was added in order to allow the possibility of a future mute input from the SDR software. The same signal can be produced on the current board with a 2N7000 and a 10K pull up resistor.
  • A second audio input has been added that allows the output from the PC to be mixed back into the cw sidetone output for those who want a combined SDR/CW sidetone audio output.
  • Both the 20 and 30m versions should now run 3 to 3.5w.
  • 22 uf decoupling caps have been added between two of the detector caps and the inverting inputs of the post-detector in order to eliminate any DC offset out of the audio pre-amp. This modification can be done to the current surface mounted version (the two cap locations are currently shorted) and will allow maximum dynamic range by allowing the op-amp output to be optimally DC centered.
  • The phasing adjust trimmer has been eliminated and replaced with fixed caps. Even with the variable trimmer, both phasing and amplitude adjustments need to be made in software anyway.
  • The oscillator transistors have been replace with an improved device SS9018. This may not be very important unless the frequency is increased to 18 or 21 MHz. :^)

Most of this changes are fairly minor, but this latest pass allows a few of these upgrades to get put into place.

The FireFly SDR kit consists of a double sided, solder masked, silkscreened and plated through board with all board mounted parts. Controls and connectors are not included in the kit and must be user supplied. The cost of the kit is 75.00 plus shipping and handling. You may order by Paypal by pressing the buttons below or print out the order form and order by mail.

Manuals and other useful information

 Firefly (Surface Mount) Builders Manual (ver 7)

 Firefly (Through Hole) Builders Manual (ver 1)

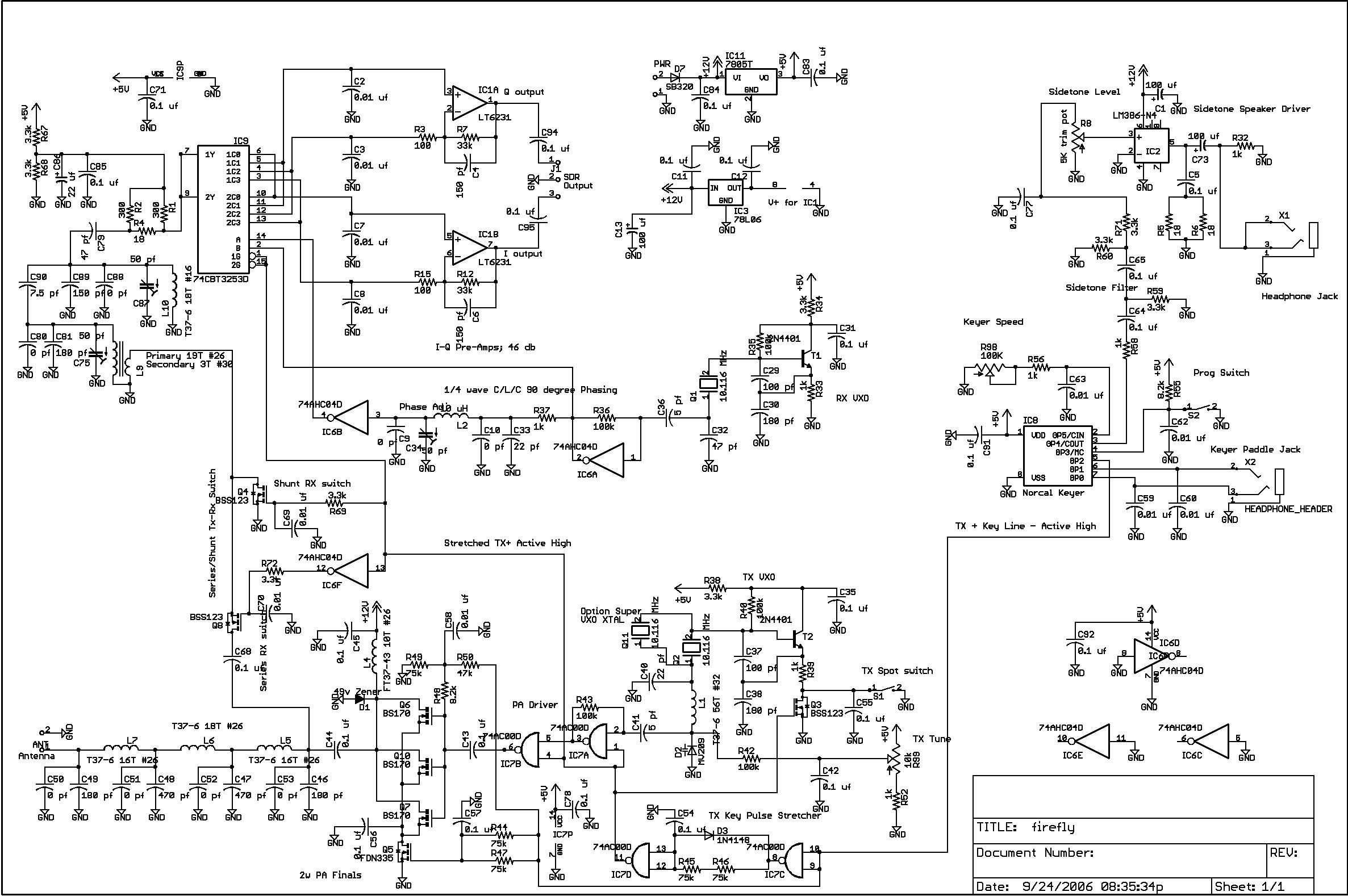
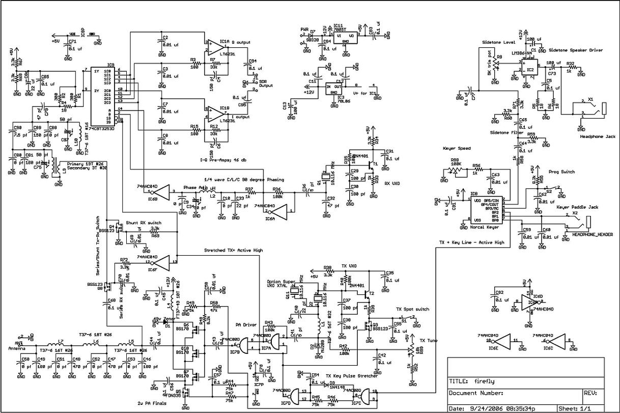
 Firefly Schematics

 Firefly Schematics

Click here to subscribe to the FireFly-SDR-transceiver group


Back To Top


Page last updated: 02/12/2026, 11:32:39
QRPKITS.COM Contact::
Page Maintained by:
Copyright © 2001-2026 Pacific Antenna/QRP Kits, All rights Reserved.
Pacific Antenna Return Policy